日本DAIWA DENGYO大和电业FCD-42.39鞍座/自由式鞍座 ( 一箱20个)合肥栗山胡181-0560-8873
日本DAIWA DENGYO大和电业FCD-42.39鞍座/自由式鞍座 ( 一箱20个)合肥栗山胡181-0560-8873
日本DAIWA DENGYO大和电业FCD-42.39鞍座/自由式鞍座 ( 一箱20个)合肥栗山胡181-0560-8873
製品名:自在サドル(フリーサドル)
型番:FCD‑42.39(FCD‑39(42))
メーカー:大和電業株式会社(DAIWA DENGYO)
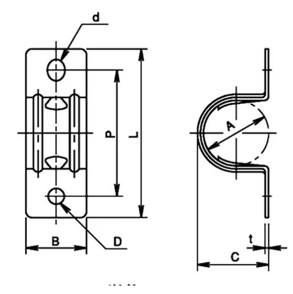
基本仕様
材質:磨綱板(表面処理なし、高強度鋼板)
適用外径:Φ39~42mm のパイプ・フレキ・ケーブル・ホース・丸棒等
質量:約 1034g / 個外形寸法:
全長 L:86mm
幅 A:48.3mm
厚さ t:1.2mm
取付穴 d:6.2×8mm(長穴)
取付ピッチ P:70mm主な用途
工場内のフレキシブルホース・ケーブルの支持固定
建設現場での各種パイプ・配管の仮設・本設固定
機械装置・設備の丸棒・シャフトの位置決め固定
船舶・車両内の配管・配線の振動防止固定


SPT-3CD日本daiwadengyo大和电业插销合肥栗山胡181-0560-8873