KBX-201L日本KHK小原齿轮齿轮箱合肥栗山胡181-0560-8873
KBX-201L日本KHK小原齿轮齿轮箱合肥栗山胡181-0560-8873
KBX-201L日本KHK小原齿轮齿轮箱合肥栗山胡181-0560-8873
コンパクト:構造が簡単でケースはアルミダイカスト製。
低騒音・高効率:特殊鋼を浸炭焼入れしたスパイラルベベルギヤを使用。
取付け方向自由:全方向取付け可能でしかも取付けは簡単。
メンテナンスフリー:潤滑剤は高級グリース封入出荷。
歯数比:歯数比1、2を用途に合わせ選択可能。
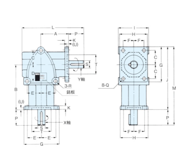
寸法A(mm)80 寸法B(mm)120 寸法C(mm)36 寸法D(mm)36 寸法E(mm)36 寸法F(mm)26
寸法G(mm)92 寸法H(mm)72 寸法I(mm)76 寸法J(mm)166 寸法K(mm)10 寸
法L(mm)168 寸法M(mm)206 寸法P(mm)40 寸法Q(mm)Φ8.5 寸法R(mm)Φ8.5 寸
法S(mm)Φ20 寸法T(Φmm)52(H7) 寸法U(mm)4 減速比1 軸径(Φmm)20 質量(kg)3.1 速比1:01 キー6×6×35L 回転角度バックラッシ8'~33'


供应KHK小原齿轮SSG3-22J32研磨正齿轮合肥栗山胡181-0560-8873