IWATA岩田轴环SCSS4018C合肥栗山胡181-0560-8873
IWATA岩田轴环SCSS4018C合肥栗山胡181-0560-8873
IWATA岩田轴环SCSS4018C合肥栗山胡181-0560-8873
长处
它是一种独立类型,可以轻松安装和拆卸。
更换时带有方便的型号标记。
用
固定轴承和轴。
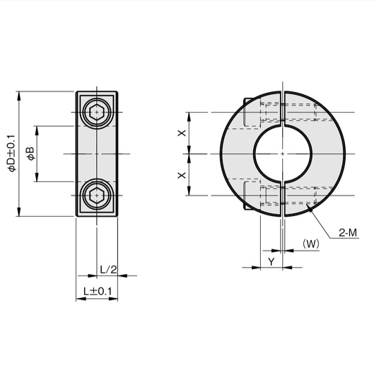
产品规格
规格和标准
内径(mm):40
外径(mm):70
总宽度(mm):18
拧紧螺钉:M8×30
材料
机械结构碳钢(S45C)
质量和质量单位
334克
使用条件
套装内容和配件
原产国 日本


TRUSCO中山内六角扳手GXBL-9S合肥栗山胡181-0560-8873