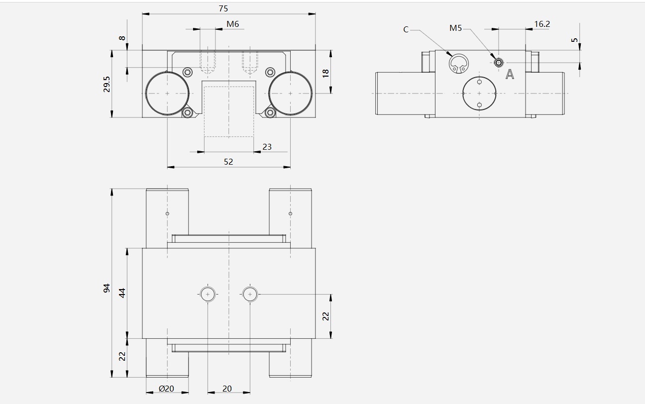
销售NBK锅屋MBPS-2504-BS1导轨钳制器/气动夹紧装置胡181-056-8873
销售NBK锅屋MBPS-2504-BS1导轨钳制器/气动夹紧装置胡181-056-8873
销售NBK锅屋MBPS-2504-BS1导轨钳制器/气动夹紧装置胡181-056-8873
操作气动
保持力1200 [N]
操作气压4.5 ... 6.5 [bar]
PLUS 接口可行否
B10d值5000000
定位精度+/-0,05 [mm]
张开时间0.1 [s]
闭合时间0.02 [s]
操作温度-10 ... +70 [°C]
认证CE / UKCA / LABS / REACH / RoHS
重量0.64 [kg]
功能钳制和刹车
情况NC (Normally Closed) 在无压状态下关闭
安装方向从前方
每循环耗气体积17 [cm³]
最大。长度夹紧94



韩国DRMC渡来美气动式真空发生器SVF80-10/SVF80-20胡181-0560-8873